TUGAS BESAR: KONTROL PABRIK KORNET
Industri pengolahan makanan merupakan salah satu sektor penting dalam mendukung ketahanan pangan dan pemenuhan kebutuhan gizi masyarakat. Salah satu produk pangan olahan yang memiliki nilai gizi tinggi serta permintaan pasar yang stabil adalah kornet. Kornet atau daging sapi kornet merupakan produk olahan daging yang melalui proses pemotongan, penggilingan, pencampuran bumbu, pengisian ke dalam kemasan, hingga proses pemasakan dan sterilisasi. Untuk menghasilkan produk kornet yang berkualitas, higienis, dan memenuhi standar keamanan pangan, diperlukan sistem kontrol pabrik yang terintegrasi dan andal.
Kontrol pabrik kornet mencakup pengendalian berbagai variabel proses produksi secara otomatis, mulai dari pengaturan suhu pemasakan, waktu proses sterilisasi, tekanan pengemasan, hingga pemantauan kadar air dan kebersihan peralatan. Dengan penerapan sistem kontrol yang tepat, proses produksi dapat berjalan lebih efisien, risiko kontaminasi dapat diminimalkan, dan konsistensi kualitas produk dapat terjaga.
Pada tugas besar ini, akan dibahas rancangan dan implementasi sistem kontrol pabrik kornet yang meliputi identifikasi tahapan proses produksi, pemilihan sensor dan aktuator, perancangan diagram kontrol, serta simulasi pengendalian proses secara keseluruhan. Diharapkan melalui perancangan sistem kontrol ini, pabrik kornet dapat meningkatkan produktivitas dan mutu produk, sekaligus memenuhi standar industri pengolahan pangan yang berlaku.
- Transistor 2N222
Spesifikasi :
| Transistor Polarity | NPN | |||
| Collector Emitter Voltage V(br)ceo | 30V | |||
| Transition Frequency Typ ft | - | |||
| DC Collector Current | 800mA | |||
| Power Dissipation Pd | 500mW | |||
| DC Current Gain hFE | 100 | |||
| Operating Temperature Range | - | |||
| Transistor Case Style | TO-18 | |||
| No. of Pins | 3 | |||
| MSL | - |
Konfigurasi PIN :
1. Emitter
2. Base
3. Collector
- LED
A. Spesifikasi :
Spesifikasi :
Resistance (Ohms) : 220 V
Power (Watts) : 0,25 W, ¼ W
Tolerance : ± 5%
Packaging : Bulk
Composition : Carbon Film
Temperature Coefficient : 350ppm/°C
Lead Free Status : Lead Free
RoHS Status : RoHs Complient
A. Spesifikasi :
- Trigger Voltage (Voltage across coil) : 5V DC
- Trigger Current (Nominal current) : 70mA
- Maximum AC load current: 10A @ 250/125V AC
- Maximum DC load current: 10A @ 30/28V DC
- Compact 5-pin configuration with plastic moulding
- Operating time: 10msec Release time: 5msec
- Maximum switching: 300 operating/minute (mechanically)
Nomor PIN | Nama Pin | Deskripsi |
1 | Coil End 1 | Digunakan untuk memicu (On / Off) Relay, Biasanya satu ujung terhubung ke 5V dan ujung lainnya ke ground |
2 | Coil End 2 | Digunakan untuk memicu (On / Off) Relay, Biasanya satu ujung terhubung ke 5V dan ujung lainnya ke ground |
3 | Common (COM) | Common terhubung ke salah satu Ujung Beban yang akan dikontrol |
4 | Normally Close (NC) | Ujung lain dari beban terhubung ke NO atau NC. Jika terhubung ke NC beban tetap terhubung sebelum pemicu |
5 | Normally Open (NO) | Ujung lain dari beban terhubung ke NO atau NC. Jika terhubung ke NO, beban tetap terputus sebelum pemicu |
Spesifikasi dari Touch Sensor:
· Tegangan kerja: DC 3.3-5V
· Sensitivitas yang Dapat Disesuaikan
· Dimensi: 32 x 17 mm
· Indikasi keluaran sinyal
· Output sinyal saluran tunggal
· Dengan lubang baut penahan, pemasangan yang mudah
· Mengeluarkan level rendah dan sinyal menyala ketika ada suara
· Output berupa digital switching output (0 dan 1 high dan low)
Spesifikasi :
- Tegangan kerja 3-5 V DC
- Konsumsi arus pada 3,3V = 23 mA dan pada 5V = 43mA
- Ukuran board 3.2 x 1,4cm
- Lubang sekrup 3mm
Grafik Infrared Sensor
- Vsuplai : DC 3.3V-5V.
- Arus : 15mA.
- Sensor : SW-420 Normally Closed.
- Output : digital.
- Dimensi : 3,8 cm x 1,3 cm x 0,7 cm.
- Berat : 10 gr.
4. Dasar Teori [BACK]
Resistor atau hambatan adalah salah satu komponen elektronika yang memiliki nilai hambatan tertentu, dimana hambatan ini akan menghambat arus listrik yang mengalir melaluinya. Sebuah resistor biasanya terbuat dari bahan campuran Carbon. Namun tidak sedikit juga resistor yang terbuat dari kawat nikrom, sebuah kawat yang memiliki resistansi yang cukup tinggi dan tahan pada arus kuat. Contoh lain penggunaan kawat nikrom dapat dilihat pada elemen pemanas setrika. Jika elemen pemanas tersebut dibuka, maka terdapat seutas kawat spiral yang biasa disebut dengan kawat nikrom.
Satuan Resistor adalah Ohm (simbol: Ω) yang merupakan satuan SI untuk resistansi listrik. Dalam sejarah, kata ohm itu diambil dari nama salah seorang fisikawan hebat asal German bernama George Simon Ohm. Beliau juga yang mencetuskan keberadaan hukum ohm yang masih berlaku hingga sekarang.
Resistor berfungsi sebagai penghambat arus listrik. Jika ditinjau secara mikroskopik, unsur-unsur penyusun resistor memiliki sedikit sekali elektron bebas. Akibatnya pergerakan elektronya menjadi sangat lambat. Sehingga arus yang terukur pada multimeter akan menunjukan angka yang lebih rendah jika dibandingkan rangkaian listrik tanpa resistor.
Namun meskipun misalnya kita menyusun rangkaian listrik tanpa resistor, bukan berarti tidak ada hambatan listrik didalamnya. Karena setiap konduktor pasti memiliki nilai hambatan, meskipun relatif kecil. Namun dalam perhitungan matematis, biasanya kita abaikan nilai hambatan pada konduktor tersebut, dan kita anggap konduktor dalam kondisi ideal. Itu berarti besar resistansi konduktor adalah nol.
Simbol dari resistor merupakan sebagai berikut :
Cara Menghitung Nilai Resistor
Berdasarkan bentuknya dan proses pemasangannya pada PCB, Resistor terdiri 2 bentuk yaitu bentuk Komponen Axial/Radial dan Komponen Chip. Untuk bentuk Komponen Axial/Radial, nilai resistor diwakili oleh kode warna sehingga kita harus mengetahui cara membaca dan mengetahui nilai-nilai yang terkandung dalam warna tersebut sedangkan untuk komponen chip, nilainya diwakili oleh Kode tertentu sehingga lebih mudah dalam membacanya.
- Berdasarkan Kode Warna
Seperti yang dikatakan sebelumnya, nilai Resistor yang berbentuk Axial adalah diwakili oleh Warna-warna yang terdapat di tubuh (body) Resistor itu sendiri dalam bentuk Gelang. Umumnya terdapat 4 Gelang di tubuh Resistor, tetapi ada juga yang 5 Gelang.
Gelang warna Emas dan Perak biasanya terletak agak jauh dari gelang warna lainnya sebagai tanda gelang terakhir. Gelang Terakhirnya ini juga merupakan nilai toleransi pada nilai Resistor yang bersangkutan.
Tabel dibawah ini adalah warna-warna yang terdapat di Tubuh Resistor :
4 Gelang Warna
Masukkan angka langsung dari kode warna Gelang ke-1 (pertama)
Masukkan angka langsung dari kode warna Gelang ke-2
Masukkan Jumlah nol dari kode warna Gelang ke-3 atau pangkatkan angka tersebut dengan 10 (10n)
Merupakan Toleransi dari nilai Resistor tersebut
Contoh :
Gelang ke 1 : Coklat = 1
Gelang ke 2 : Hitam = 0
Gelang ke 3 : Hijau = 5 nol dibelakang angka gelang ke-2; atau kalikan 105
Gelang ke 4 : Perak = Toleransi 10%
Maka nilai Resistor tersebut adalah 10 * 105 = 1.000.000 Ohm atau 1 MOhm dengan toleransi 10%.
5 Gelang Warna
Masukkan angka langsung dari kode warna Gelang ke-1 (pertama)
Masukkan angka langsung dari kode warna Gelang ke-2
Masukkan angka langsung dari kode warna Gelang ke-3
Masukkan Jumlah nol dari kode warna Gelang ke-4 atau pangkatkan angka tersebut dengan 10 (10n)
Merupakan Toleransi dari nilai Resistor tersebut
Contoh :
Gelang ke 1 : Coklat = 1
Gelang ke 2 : Hitam = 0
Gelang ke 3 : Hijau = 5
Gelang ke 4 : Hijau = 5 nol dibelakang angka gelang ke-2; atau kalikan 105
Gelang ke 5 : Perak = Toleransi 10%
Maka nilai Resistor tersebut adalah 105 * 105 = 10.500.000 Ohm atau 10,5 MOhm dengan toleransi 10%.
Contoh-contoh perhitungan lainnya :
Merah, Merah, Merah, Emas → 22 * 10² = 2.200 Ohm atau 2,2 Kilo Ohm dengan 5% toleransi
Kuning, Ungu, Orange, Perak → 47 * 10³ = 47.000 Ohm atau 47 Kilo Ohm dengan 10% toleransi
Cara menghitung Toleransi :
2.200 Ohm dengan Toleransi 5% =
2200 – 5% = 2.090
2200 + 5% = 2.310
ini artinya nilai Resistor tersebut akan berkisar antara 2.090 Ohm ~ 2.310 Ohm
Untuk mempermudah menghafalkan warna di Resistor, kami memakai singkatan seperti berikut :
HI CO ME O KU JAU BI UNG A PU
(HItam, COklat, MErah, Orange, KUning. HiJAU, BIru, UNGu, Abu-abu, PUtih)
- Berdasarkan Kode Angka
Membaca nilai Resistor yang berbentuk komponen Chip lebih mudah dari Komponen Axial, karena tidak menggunakan kode warna sebagai pengganti nilainya. Kode yang digunakan oleh Resistor yang berbentuk Komponen Chip menggunakan Kode Angka langsung jadi sangat mudah dibaca atau disebut dengan Body Code Resistor (Kode Tubuh Resistor)
Contoh :
Kode Angka yang tertulis di badan Komponen Chip Resistor adalah 4 7 3;
Contoh cara pembacaan dan cara menghitung nilai resistor berdasarkan kode angka adalah sebagai berikut :
Masukkan Angka ke-1 langsung = 4
Masukkan Angka ke-2 langsung = 7
Masukkan Jumlah nol dari Angka ke 3 = 000 (3 nol) atau kalikan dengan 10³
Maka nilainya adalah 47.000 Ohm atau 47 kilo Ohm (47 kOhm)
Contoh-contoh perhitungan lainnya :
222 → 22 * 10² = 2.200 Ohm atau 2,2 Kilo Ohm
103 → 10 * 10³ = 10.000 Ohm atau 10 Kilo Ohm
334 → 33 * 104 = 330.000 Ohm atau 330 Kilo Ohm
Ada juga yang memakai kode angka seperti dibawah ini :
(Tulisan R menandakan letaknya koma decimal)
4R7 = 4,7 Ohm
0R22 = 0,22 Ohm
Keterangan :
Ohm = Ω
Kilo Ohm = KΩ
Mega Ohm = MΩ
1.000 Ohm = 1 kilo Ohm (1 KΩ )
1.000.000 Ohm = 1 Mega Ohm (1 MΩ)
1.000 kilo Ohm = 1 Mega Ohm (1 MΩ)
Resistor mempunyai nilai resistansi (tahanan) tertentu yang dapat memproduksi tegangan listrik di antara kedua pin dimana nilai tegangan terhadap resistansi tersebut berbanding lurus dengan arus yang mengalir, berdasarkan persamaan Hukum OHM :
Dimana V adalah tegangan, I adalah kuat arus, dan R adalah Hambatan
Ground
Ground atau pertanahan adalah bagian dari Peralatan Listrik rumah. Namun kebanyakan dari masyatrakat Indonesia sudah terbiasa menyebut pertanahan atau gruonding ini dengan kata arde.
Ground atau arde pada instalasi listrik berguna sebagai pencegah terjadinya kontak antara makhluk hidup dengan tegangan listrik yang terekspos akibat terjadi kegagalan isolasi. Ground dalam rumah Anda terpasang dengan dua macam, yaitu untuk instalasi listrik rumah dan instalasi penangkal petir.Grounding Memiliki simbol seperti gambar di bawah ini :
Ground atau arde pada instalasi listrik berguna sebagai pencegah terjadinya kontak antara makhluk hidup dengan tegangan listrik yang terekspos akibat terjadi kegagalan isolasi. Ground dalam rumah Anda terpasang dengan dua macam, yaitu untuk instalasi listrik rumah dan instalasi penangkal petir.Grounding Memiliki simbol seperti gambar di bawah ini :
- Power Supply
Power supply atau pencatu daya adalah sebuah alat elektronik yang berfungsi memberikan tegangan dan arus listrik pada komponen-komponen lainnya. Pada dasarnya power supply membutuhkan sumber listrik yang kemudian diubah menjadi sumber daya yang dibutuhkan oleh berbagai perangkat elektronik lainnya. Arus listrik yang disalurkan oleh power supply ini adalah jenis arus bolak-balik (AC). Namun karena kelebihan dari power supply ini, maka alat ini juga dapat mengubah arus bolak-balik (AC) menjadi arus searah (DC). Power supply memiliki simbol sebagai berikut :
Transistor adalah alat semikonduktor yang dipakai sebagai penguat, sebagai sirkuit pemutus dan penyambung arus (switching), stabilisasi tegangan, dan modulasi sinyal. Transistor dapat berfungsi semacam kran listrik, di mana berdasarkan arus inputnya (BJT) atau tegangan inputnya (FET), memungkinkan pengaliran listrik yang sangat akurat dari sirkuit sumber listriknya. Kapasitor NPN memiliki simbol seperti gambar di bawah ini:
Terdapat rumus rumus dalam mencari transistor seperti rumus di bawah ini:V = (Vbat - Vled)Rled = V / IleIB = (VBB - VBE) / RB VCE = VCC - ICRC PD = VCE.IC Karakteristik Input
Transistor adalah komponen aktif yang menggunakan aliran electron sebagai prinsip kerjanya didalam bahan. Sebuah transistor memiliki tiga daerah doped yaitu daerah emitter, daerah basis dan daerah disebut kolektor. Transistor ada dua jenis yaitu NPN dan PNP. Transistor memiliki dua sambungan: satu antara emitter dan basis, dan yang lain antara kolektor dan basis. Karena itu, sebuah transistor seperti dua buah dioda yang saling bertolak belakang yaitu dioda emitter-basis, atau disingkat dengan emitter dioda dan dioda kolektor-basis, atau disingkat dengan dioda kolektor.
Bagian emitter-basis dari transistor merupakan dioda, maka apabila dioda emitter-basis dibias maju maka kita mengharapkan akan melihat grafik arus terhadap tegangan dioda biasa. Saat tegangan dioda emitter-basis lebih kecil dari potensial barriernya, maka arus basis (Ib) akan kecil. Ketika tegangan dioda melebihi potensial barriernya, arus basis (Ib) akan naik secara cepat.
Karakteristik Output
Sebuah transistor memiliki empat daerah operasi yang berbeda yaitu daerah aktif, daerah saturasi, daerah cutoff, dan daerah breakdown. Jika transistor digunakan sebagai penguat, transistor bekerja pada daerah aktif. Jika transistor digunakan pada rangkaian digital, transistor biasanya beroperasi pada daerah saturasi dan cutoff. Daerah breakdown biasanya dihindari karena resiko transistor menjadi hancur terlalu besar.
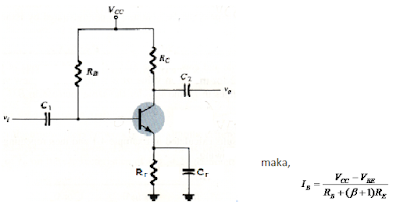
Emitter-Stabilized Bias adalah rangkaian Fixed bias yang ditambahkan tahanan RE seperti gambar 12.
Gambar 12 Rangkaian Emitter-Stabilized Bias
sehingga tahanan RE kalau dilihat dari input untuk mencari arus IB adalah sebesar (β+1)RE.
Decoder Decoder adalah suatu perangkat yang dapat mengubah suatu sistem bilangan biner yang terdapat pada bagian input, menjadi sistem bilangan yang lain pada outputnya seperti gambar 1. Berdasarkan simbol gambar 1 bisa juga diartikan bahwa decoder adalah salah satu kombinasi output akan aktif apabila salah satu kombinasi inputnya aktif. Gambar 2 menunjukkan decoder biner ke decimal(0 ÷ 7). Gambar 1 Simbol Decoder
Gambar 1 Decoder biner ke decimal(0 ÷ 7) (a) simbol, (b) rangkaian ekivalennya dan (c) tabel kebenaran
- Sensor Strain Gauge (LoadCell)
Dalam sistim pengukuran, transduser merupakan elemen masukan yang fungsi kritisnya adalah mengubah sebuah besaran fisis menjadi sinyal listrik yang sebanding. Srtain Gage adalah sebuah transduser pasif yang mengubah suatu pergeseran mekanis menjadi perubahan tahanan. Alat ini ditemukan pertama kali oleh Edward E.Simmons pada tahun 1938. Strain gage merupakan sebuah alat seperti biskuit tipis (wafer), yang dapat disatukan (bonded) ke berbagai bagian guna mengukur regangan yang diberikan padanya. Strain Gage terbuat dari foil atau kawat tahanan berdiameter kecil. Tahanan dari foil / kawat berubah terhadap panjang jika pada gage yang disatukan mengalami tarikan atau tekanan. Perubahan tahanan ini sebanding dengan regangan yang di berikan dan diukur dengan jembatan Wheatstone yang dipakai secara khusus. Sensitivitas sebuah Strain Gage dijelaskan dengan suatu karakteristik yang disebut dengan faktor gage (gage factor).

Nilai faktor gage bahan berbeda beda contohnya
Nilai factor gage

Idealnya resistansi dari strain gage akan berubah hanya merespon adanya perubahan strain. Akan tetapi material strain gage, seperti halnya jenis material yang dipilih sebagai pembentuknya akan dapat merspon perbuhan temperatur. Perusahan pembuat strain gage berusaha meminimalis sensitivitas terhadap suhu (temperatur).

Bentuk dari Transduser daya Strain Gage (a) Kawat; (b) Foil; (c) Load Cell.
B. Karakteristik strain gage:
1. Konstanta kalibrasi untuk gage stabil. Tidak bervariasi dengan waktu, temperature atau factor-faktor lingkungan lainnya.
2. Gage mampu mengukur stain dengan ketelitian ± 1µm/m. dalam range strain besar ±10%.
3. Ukuran gage kecil sehingga strain diperirakan dengan kesalahan kecil.
4. Respon gage, sebagian besar dikontrol oleh inersia, memungkinkan untuk merekam strain dinamik dengan komponen-komponen melebihi 100 kHz.
5. Sistem gage mudah penempatan dan pembacaannya.
6. Keluaran gage selama periode pembacaan tidak bergantung kepada temperature dan parameter lingkungan lainnya.
7. Gage dan peralatan pendukungnya rendah biaya dan dapat dipakai secara luas.
8. System gage mudah diinstal dan dioperasikan
9. Gage menunjukkan respon linier terhadap strain pada range lebar.
10. Gage cocok dipakai dalam elemen pengindera di dalam system transduser lainnya dimana sebuah kuantitas tidak diketahui seperti tekanan diukur dalam bentuk strain
Pemilihan Strain Gage yang tepat
Beberapa perameter teknis perlu diperhatikan pada saat memilih dan menentukan strain gauge mana yang sesuai untuk pengukuran yang akan dilakukan, diantaranya:
1. Panjang Gage
Pemilihan panjang gauge bergantung pada objek / specimen. Gauge yang pendek, dapat digunakan untuk lokalisasi pengukuran regangan, sedangkan gauge yang panjang lebih banyak dipilih dan digunakan untuk mengukur regangan rata-rata yang mewakili seluruh permukaan. Sebagai contoh pada pengukuran regangan rata-rata pada beton pondasi (concrete), dibutuhkan panjang gauge yang lebih panjang karena strukturnya yang terdiri atas semen dan campuran pasir dan krikil.
Berikut adalah acuan panjang gauge merk Showa Instruments dan aplikasi-aplikasinya:
• ≤ 1 mm Untuk pengukuran terpusat
• 2 ~ 6 mm Untuk logam dan penggunaan umum
• 10 ~ 20 mm Untuk mortar (semen campuran), kayu, FRP, dll
• ≥ 30 mm Untuk beton pondasi (concrete) dan material campuran kasar
2. Resistansi Gage
Menunjukkan nilai resistansi dalam besaran “Ω” [ohm], yang diukur pada keadaan tanpa beban dan pada temperatur suhu ruang oleh pabrikan.
3. Mampu Ukur Regangan (Measurable Strain)
Menunjukkan besarnya regangan yang mampu diukur. Umumnya berkisar 2 sampai 4% maksimum. Namun dengan strain gauge foil-yielding dapat mencapai 10%.
4. Rentang Suhu (Temperature Range)
Menunjukkan batasan suhu lingkungan yang disanggupi oleh strain gauge, dengan kata lain strain gauge masih dapat menghasilkan nilai pengukuran yang akurat. Umumnya berkisar antara -30ºC ~ +80ºC. Untuk jenis high-temperature strain gauge, dapat mencapai +180ºC
5. Faktor Gage (K)
Nilai keluaran dari strain gauge adalah dalam besaran elektrik – resistansi. Sedangkan besarnya yang menjadi tujuan pengukuran adalah nilai regangan. Dengan demikian diperlukan suatu nilai konversi yang disebut factor gauge (K).
6. Sensitifitas Transfers (Kt)
Pada kenyataanya nilai resisitansi strain gauge dapat juga berubah akibat pengaruh adanya regangan yang arahnya tegak lurus terhadap aksis gauge – regangan transfersal (εt). karena keduanya memiliki relasi kesebandingan, maka ditetapkanlah suatu konstanta yang disebut dengan sensitifitas transfers (Kt). Nilai ini biasanya ditulis dalam persen (%)
7. Termal Output
Didefinisikan sebagai adanya pergeseran / penyimpangan nilai regangan akibat perbedaan temperatur suhu. Umumnya bernilai pada kisaran ±2µε/ºC. Pada jenis strain gauge temperature tinggi diatas suhu 160 ºC, nilainya mencapai ±5µε/ºC.
Kurva hubungan antara nilai thermal output terhadap suhu

Gambar 8. Thermal output fungsi dari temperatur
Selain regangan, suhu temperature juga mempengaruhi nilai faktor gauge.
Kurva hubungan antara perubahan faktor gauge terhadap perbedaan temperatur.

Gambar 9. Faktor Gauge (K) fungsi dari temperatur
6. Percobaan [Back]
A. Prosedur Percobaan
-Siapkan seluruh alat dan bahan yang akan digunakan di Proteus
- Rangkailah semua alat dan bahan pada proteus- Atur nilai variable (tengang, arus, dll)- Lalu tekan tombol jalankan
- Simulasikan semua sensor yang ada- Revisi lagi apakah ada yang kurang dari rangkaian- Lakukan simulasi kembali
B. Gambar Rangkaian
Bagian emitter-basis dari transistor merupakan dioda, maka apabila dioda emitter-basis dibias maju maka kita mengharapkan akan melihat grafik arus terhadap tegangan dioda biasa. Saat tegangan dioda emitter-basis lebih kecil dari potensial barriernya, maka arus basis (Ib) akan kecil. Ketika tegangan dioda melebihi potensial barriernya, arus basis (Ib) akan naik secara cepat.
Sebuah transistor memiliki empat daerah operasi yang berbeda yaitu daerah aktif, daerah saturasi, daerah cutoff, dan daerah breakdown. Jika transistor digunakan sebagai penguat, transistor bekerja pada daerah aktif. Jika transistor digunakan pada rangkaian digital, transistor biasanya beroperasi pada daerah saturasi dan cutoff. Daerah breakdown biasanya dihindari karena resiko transistor menjadi hancur terlalu besar.
Dalam sistim pengukuran, transduser merupakan elemen masukan yang fungsi kritisnya adalah mengubah sebuah besaran fisis menjadi sinyal listrik yang sebanding. Srtain Gage adalah sebuah transduser pasif yang mengubah suatu pergeseran mekanis menjadi perubahan tahanan. Alat ini ditemukan pertama kali oleh Edward E.Simmons pada tahun 1938. Strain gage merupakan sebuah alat seperti biskuit tipis (wafer), yang dapat disatukan (bonded) ke berbagai bagian guna mengukur regangan yang diberikan padanya. Strain Gage terbuat dari foil atau kawat tahanan berdiameter kecil. Tahanan dari foil / kawat berubah terhadap panjang jika pada gage yang disatukan mengalami tarikan atau tekanan. Perubahan tahanan ini sebanding dengan regangan yang di berikan dan diukur dengan jembatan Wheatstone yang dipakai secara khusus. Sensitivitas sebuah Strain Gage dijelaskan dengan suatu karakteristik yang disebut dengan faktor gage (gage factor).
Nilai faktor gage bahan berbeda beda contohnya
Idealnya resistansi dari strain gage akan berubah hanya merespon adanya perubahan strain. Akan tetapi material strain gage, seperti halnya jenis material yang dipilih sebagai pembentuknya akan dapat merspon perbuhan temperatur. Perusahan pembuat strain gage berusaha meminimalis sensitivitas terhadap suhu (temperatur).
Bentuk dari Transduser daya Strain Gage (a) Kawat; (b) Foil; (c) Load Cell.
B. Karakteristik strain gage:
1. Konstanta kalibrasi untuk gage stabil. Tidak bervariasi dengan waktu, temperature atau factor-faktor lingkungan lainnya.
2. Gage mampu mengukur stain dengan ketelitian ± 1µm/m. dalam range strain besar ±10%.
3. Ukuran gage kecil sehingga strain diperirakan dengan kesalahan kecil.
4. Respon gage, sebagian besar dikontrol oleh inersia, memungkinkan untuk merekam strain dinamik dengan komponen-komponen melebihi 100 kHz.
5. Sistem gage mudah penempatan dan pembacaannya.
6. Keluaran gage selama periode pembacaan tidak bergantung kepada temperature dan parameter lingkungan lainnya.
7. Gage dan peralatan pendukungnya rendah biaya dan dapat dipakai secara luas.
8. System gage mudah diinstal dan dioperasikan
9. Gage menunjukkan respon linier terhadap strain pada range lebar.
10. Gage cocok dipakai dalam elemen pengindera di dalam system transduser lainnya dimana sebuah kuantitas tidak diketahui seperti tekanan diukur dalam bentuk strain
Pemilihan Strain Gage yang tepat
Beberapa perameter teknis perlu diperhatikan pada saat memilih dan menentukan strain gauge mana yang sesuai untuk pengukuran yang akan dilakukan, diantaranya:
1. Panjang Gage
Pemilihan panjang gauge bergantung pada objek / specimen. Gauge yang pendek, dapat digunakan untuk lokalisasi pengukuran regangan, sedangkan gauge yang panjang lebih banyak dipilih dan digunakan untuk mengukur regangan rata-rata yang mewakili seluruh permukaan. Sebagai contoh pada pengukuran regangan rata-rata pada beton pondasi (concrete), dibutuhkan panjang gauge yang lebih panjang karena strukturnya yang terdiri atas semen dan campuran pasir dan krikil.
Berikut adalah acuan panjang gauge merk Showa Instruments dan aplikasi-aplikasinya:
• ≤ 1 mm Untuk pengukuran terpusat
• 2 ~ 6 mm Untuk logam dan penggunaan umum
• 10 ~ 20 mm Untuk mortar (semen campuran), kayu, FRP, dll
• ≥ 30 mm Untuk beton pondasi (concrete) dan material campuran kasar
2. Resistansi Gage
Menunjukkan nilai resistansi dalam besaran “Ω” [ohm], yang diukur pada keadaan tanpa beban dan pada temperatur suhu ruang oleh pabrikan.
3. Mampu Ukur Regangan (Measurable Strain)
Menunjukkan besarnya regangan yang mampu diukur. Umumnya berkisar 2 sampai 4% maksimum. Namun dengan strain gauge foil-yielding dapat mencapai 10%.
4. Rentang Suhu (Temperature Range)
Menunjukkan batasan suhu lingkungan yang disanggupi oleh strain gauge, dengan kata lain strain gauge masih dapat menghasilkan nilai pengukuran yang akurat. Umumnya berkisar antara -30ºC ~ +80ºC. Untuk jenis high-temperature strain gauge, dapat mencapai +180ºC
5. Faktor Gage (K)
Nilai keluaran dari strain gauge adalah dalam besaran elektrik – resistansi. Sedangkan besarnya yang menjadi tujuan pengukuran adalah nilai regangan. Dengan demikian diperlukan suatu nilai konversi yang disebut factor gauge (K).
6. Sensitifitas Transfers (Kt)
Pada kenyataanya nilai resisitansi strain gauge dapat juga berubah akibat pengaruh adanya regangan yang arahnya tegak lurus terhadap aksis gauge – regangan transfersal (εt). karena keduanya memiliki relasi kesebandingan, maka ditetapkanlah suatu konstanta yang disebut dengan sensitifitas transfers (Kt). Nilai ini biasanya ditulis dalam persen (%)
7. Termal Output
Didefinisikan sebagai adanya pergeseran / penyimpangan nilai regangan akibat perbedaan temperatur suhu. Umumnya bernilai pada kisaran ±2µε/ºC. Pada jenis strain gauge temperature tinggi diatas suhu 160 ºC, nilainya mencapai ±5µε/ºC.
Kurva hubungan antara nilai thermal output terhadap suhu
Gambar 8. Thermal output fungsi dari temperatur
Selain regangan, suhu temperature juga mempengaruhi nilai faktor gauge.
Kurva hubungan antara perubahan faktor gauge terhadap perbedaan temperatur.
Gambar 9. Faktor Gauge (K) fungsi dari temperatur
6. Percobaan [Back]
C.Prinsip Kerja
Apabila barang telah melewati sensor infrared yang berfungsi untuk menjalankan Treadmil barang dan masuk kedalam tempat penghitung barang maka akan dideteksi oleh sensor PIR. Dan setelah dideteksi oleh kedua sensor tersebut maka 7- segment akan melakukan Counter Up untuk menghitung jumlah masuknya barang tersebut. Selanjutnya, Ketika sudah mencapai angka 9 ,maka digunakan sensor Touch untuk bisa mereset angka pada 7 - segment menjadi nol dan diulang dari angka 1 kembali.
Sensor Pir aktif dan tegangan pada output sensor sebesar 4.99 V mengalir dan melalui resistor R2 sebesar 10 Kilo ohm dan dengan bias Voltage Divider dan didapat tegangan VBE sebesar 0.79 V. Nilai tegangan VBE ini dapat mengaktifkan Transistor dan Tegangan pada power supply mengaliri arus ke collector diteruskan ke emitor dan ke ground. Karena adanya tegangan dari power supply maka switch relay berpindah dari kiri ke kanan sehingga treadmil dapat aktif atau bergerak untuk membawa barang masuk kedalam pabrik.
Kemudian , setelah sensor infrared aktif maka sensor pir aktif sehingga adanya tegangan pada output dari sensor pir dan dapat mengalir arus pada R3 dan juga dapat mengaktifkan transistor Q2 dan arus dari power supply pun mengalir dari collector ke emitor dan diteruskan ke ground. Karena ada tegangan dari power supply maka switch relay berpindah dari kiri ke kanan dan selanjutnya melewati rangkaian counter asyncronous. Rangkaian counter Asyncronous yaotu rangkaian counter yang sinyal clock nya hanya terhubung ke satu inputan saja dan sinyal clock selanjutnya bergantung pada output flip flop sebelumnya. Dan selanjutnya rangkaian yang terhubung dengan rangkaian Decoder yang berfungsi mengubah nilai biner menjadi desimal yang akan ditampilkan pada 7- Segment. Kemudian ,sensor touch yang digunakan untuk mereset display 7 segment ketika sensor mendeteksi sentuhan tangan operator maka dihasilkan tegangan dan arus dapat mengalir melewati resistor R5 sebesaar 10 kilo ohm dan menghasilkan tegangan yang cukup mengaktifkan transistor dan sehingga relay juga berpindah dari kiri ke kanan dan melewati IC Encoder dan Decoder untuk menghasilkan angka yang diinginkan pada 7 segment untuk mereset nya kembali
- Download Simulasi Rangkaian klik disini
- Download Library Sensor PIR klik disini
- Download Datasheet Sensor PIR klik disini
- Download Datasheet Sensor Touch klik disini
- Download Datasheet Resistor klik disini
- Download Datasheet Transistor NPN klik disini
- Download Datasheet OPAMP klik disini
- Download Datasheet LED klik disini
- Download Datasheet Motor DC klik disini
- Download Datasheet Buzzer klik disini
- Download Datasheet 7 Segment klik disini
- Download Datasheet IC decoder 74247 klik disini
- Download Datasheet Relay klik disini
- Download Datasheet Baterai klik disini
- Download Datasheet Gerbang AND klik disini
- Download Datasheet Switch klik disini




















.png)
.png)


Tidak ada komentar:
Posting Komentar